標準規範

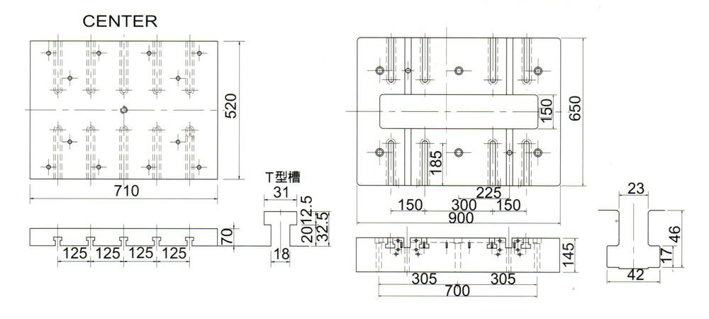
標準滑塊面積圖/標準標準副盤面積圖

規格表 HR-65
| ITEM | SPECIFICATION | ||||
| Model / 型號 | HR-65 | ||||
| Capacity /加壓能力 | TON | 65 | |||
| Stroke of Side / 行程 | MM | 20 | 30 | 40 | 50 |
|
Stroke / 行程數 |
SPM | 100 | 100 | 100 | 100 |
| 460 | 400 | 360 | 30 | ||
| Die-height / 閉合工作高度 | MM | 295~345 | |||
| Capacity generating point / 衝壓發生位置 | MM | 1.6 | |||
| Slide Adjustment / 衝頭調整量(電動) | MM | 50 | |||
| Slide lower area / 衝頭底面面積 | MM | 710×520×70 | |||
| Slide hole(T) / 衝頭鎖緊上模位置 | MM | 圖示T型孔 | |||
| Bolster area and thickness / 工作臺面積厚度 | MM | 145×650×900 | |||
| Bolster opening / 機身工作臺孔徑 | MM | 750L×240W | |||
| Foot stand from to bolster / 床腳至工作臺高 | MM | 1000 | |||
| Foot stand size / 腳架尺寸 | MM | 1690×1600 | |||
| Postition of anchor bolts / 基礎螺栓位置 | MM | 4-ø 30×1320×1520 | |||
| Over all dimension / 長、寬、高 | MM | 1795×2280×2910 | |||
| Motor / 馬達 Pole / 極速 | 30HP×4P | ||||
| Total Weight / 總重量 | KGS | 12000 | |||
| Auto - Lubricating Unit / 自動潤滑裝置 | 強制循環給油附加恆溫冷卻系統 | ||||
| Air Clutch / 離合器 | 本廠研發製造 | ||||
| Air Pressure / 使用空氣壓力 | kg/cm | 5~8 | |||